Shell-and-Tube Condenser
The shell-and-tube condenser uses reliable heat exchange tubes and an optimized structural design, providing heat transfer efficiency and strong pressure resistance. Its compact structure, stable operation, and corrosion resistance make it suitable for medium- and large-scale refrigeration systems. Widely used in central air conditioning, cold storage, and industrial cooling applications, it ensures long-term, efficient system performance.
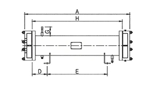
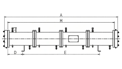
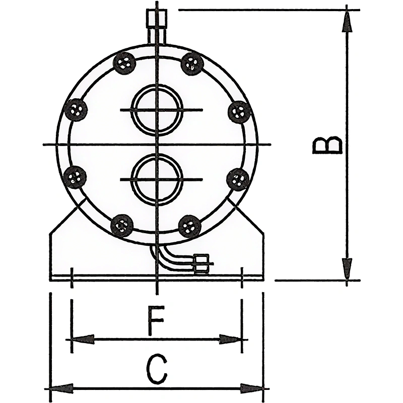
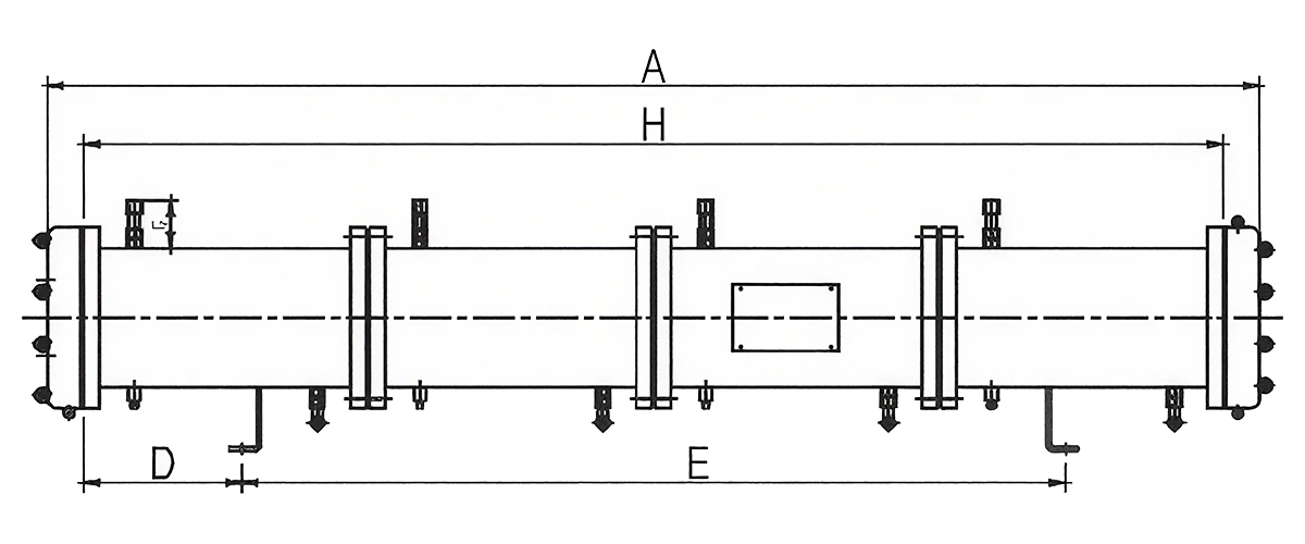
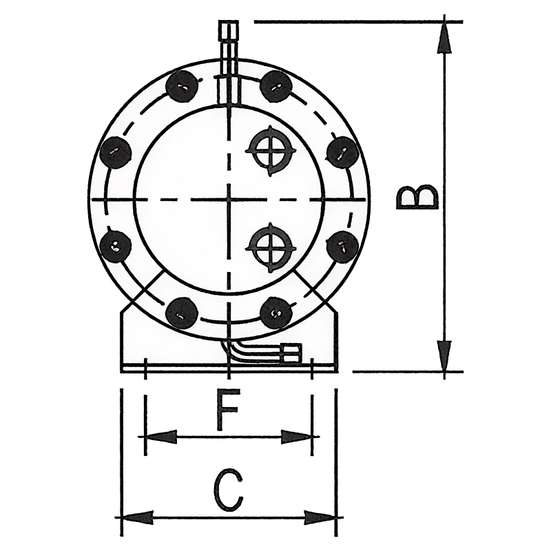
| Heat exchanger model | Compressor horsepower | Water pipe connection | Dimensions (mm) | |||||||
| A | B | C | D | E | F | G | H | |||
|
|
5HP | DN25 | 680 | 295 | 180 | 100 | 360 | 140 | 70 | 560 |
|
|
6HP | DN25 | 680 | 295 | 180 | 100 | 360 | 140 | 70 | 560 |
|
|
7HP | DN25 | 840 | 295 | 180 | 120 | 480 | 140 | 70 | 720 |
|
|
8HP | DN40 | 840 | 295 | 180 | 120 | 480 | 140 | 70 | 720 |
|
|
10HP | DN40 | 900 | 310 | 200 | 140 | 500 | 160 | 70 | 780 |
|
|
12HP | DN40 | 900 | 310 | 200 | 140 | 500 | 160 | 70 | 780 |
|
|
15HP | DN40 | 1480 | 320 | 250 | 180 | 1000 | 200 | 70 | 1865 |
|
|
20HP | DN50 | 1480 | 320 | 250 | 180 | 1000 | 200 | 70 | 1365 |
|
|
25HP | DN50 | 1480 | 320 | 250 | 180 | 1000 | 200 | 70 | 1865 |
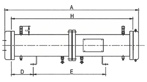
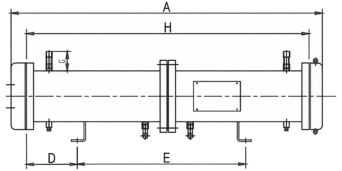
| Heat exchanger model | Compressor horsepower | Water pipe connection | Dimensions (mm) | |||||||
| A | B | C | D | E | F | G | H | |||
|
|
4HP*2 | DN40 | 1107 | 320 | 250 | 180 | 600 | 200 | 70 | 1005 |
|
|
5HP*2 | DN40 | 1107 | 320 | 250 | 180 | 600 | 200 | 70 | 1005 |
|
|
6HP*2 | DN40 | 1107 | 320 | 250 | 180 | 600 | 200 | 70 | 1005 |
|
|
7.5HP*2 | DN40 | 1480 | 320 | 250 | 180 | 1000 | 200 | 70 | 1365 |
|
|
10HP*2 | DN50 | 1480 | 320 | 250 | 180 | 1000 | 200 | 70 | 1365 |
|
|
12HP*2 | DN50 | 1480 | 320 | 250 | 180 | 1000 | 200 | 70 | 1365 |
|
|
15HP*2 | DN50 | 1480 | 320 | 250 | 180 | 1000 | 200 | 70 | 1365 |
|
|
20HP*2 | DN50 | 1480 | 320 | 250 | 180 | 1000 | 200 | 70 | 1365 |
|
|
25HP*2 | DN65 | 1480 | 320 | 250 | 180 | 1000 | 200 | 70 | 1365 |
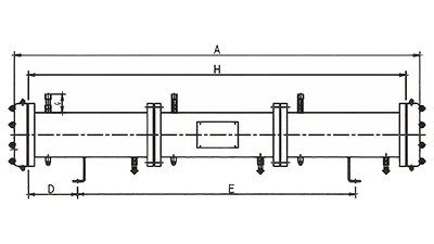
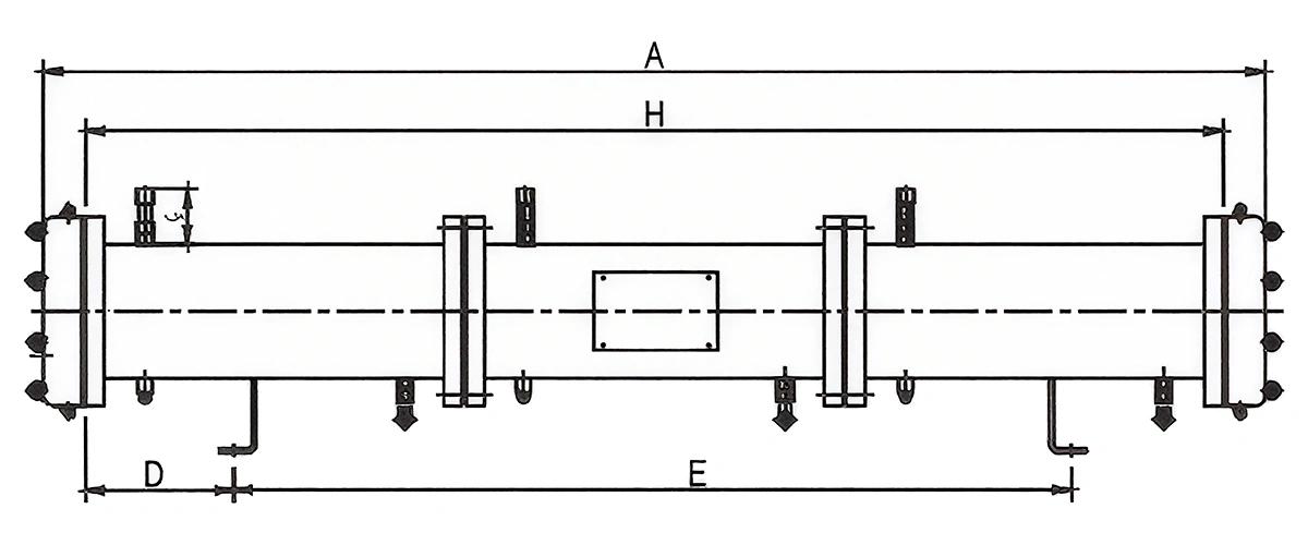
| Heat exchanger model | Compressor horsepower | Water pipe connection | Dimensions (mm) | |||||||
| A | B | C | D | E | F | G | H | |||
|
|
5HP*3 | DN50 | 1648 | 350 | 350 | 200 | 1130 | 300 | 70 | 1534 |
|
|
10HP*3 | DN50 | 2014 | 350 | 350 | 303 | 1300 | 300 | 70 | 1900 |
|
|
12HP*3 | DN65 | 2014 | 350 | 350 | 303 | 1300 | 300 | 70 | 1890 |
|
|
20HP*3 | DN80 | 2014 | 410 | 350 | 303 | 1300 | 300 | 70 | 1900 |
|
|
25HP*3 | DN80 | 2014 | 410 | 350 | 303 | 1300 | 300 | 70 | 1890 |
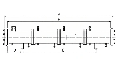
| Heat exchanger model | Compressor horsepower | Water pipe connection | Dimensions (mm) | |||||||
| A | B | C | D | E | F | G | H | |||
|
|
10HP*4 | DN65 | 1913 | 388 | 350 | 250 | 1300 | 300 | 70 | 1800 |
|
|
12HP*4 | DN65 | 1913 | 388 | 350 | 250 | 1300 | 300 | 70 | 1800 |
|
|
15HP*4 | DN65 | 1913 | 388 | 350 | 250 | 1300 | 300 | 70 | 1800 |
|
|
20HP*4 | DN80 | 1913 | 388 | 350 | 250 | 1300 | 300 | 70 | 1800 |
|
|
25HP*4 | DN80 | 2650 | 410 | 350 | 303 | 1800 | 300 | 70 | 2540 |
| Heat exchanger model | Compressor horsepower | Water pipe connection | Dimensions (mm) | |||||||
| A | B | C | D | E | F | G | H | |||
|
|
12HP*5 | DN65 | 2364 | 388 | 350 | 260 | 1750 | 300 | 70 | 2250 |
|
|
25HP*5 | DN100 | 3220 | 575 | 600 | 325 | 2220 | 500 | 90 | 2870 |
- Energy Efficiency
- Innovation
- Safety Features
- Precision Manufacturing
-
25% Improve heat exchange efficiency by approximatelyInternally Threaded Copper Tubes -
20% Improve heat transfer efficiency by aboutWave-Shaped Fins -
6% Reduces total power consumption by aboutPID-Controlled Electronic Expansion Valve -
20% Improves distribution uniformity by approximatelyOptimized Refrigerant Distribution System -
10% Enhances air circulation by aboutOptimized Airflow Path Design -
20% Lowers fan power consumption by approximatelyAutomatic Air Volume Control
-
Stainless Steel Evaporator -
V-Shaped Condenser -
Cylindrical Water Tank -
Low-Noise Fan -
Touch-Screen Controller -
Advanced Control System
-
Over-Temperature Protection -
Current Protection -
Self-Diagnosis -
Intelligent Antifreeze -
Water Flow Alarm -
Water Level Alarm -
Pressure Alarm -
Timer On/Off
-
Precision Sheet Metal Forming -
Stamped Flow Guide Rings -
Robotic Bending System (Bystronic, Switzerland) -
Laser Welding Technology -
Automated Insulation Material Cutting -
Automated Joint Welding
With over 20 years of experience in the industrial cooling industry, KANSA designs and manufactures a variety of industrial chillers and process temperature control equipment in-house to ensure consistent quality, reliable operation and exceptional temperature stability of ±0.05°C. The company holds CE, ISO9001-2016, ISO45001 and other international certifications, serving more than 70,000 customers worldwide.













